泰开高压开关 泰开高压开关
  • 首页

  • 关于我们

      关于我们
      • 公司简介 公司简介

      • 科技研发 科技研发

      • 质量管理 质量管理

      • 生产能力 生产能力

      • 服务中心 服务中心

      • 厂容厂貌 厂容厂貌

  • 产品中心

      产品中心
      • 产品三视图 产品三视图

      • 组合电器系列 组合电器系列

      • 断路器系列 断路器系列

      • 柔性直流产品 柔性直流产品

  • 工程案例

  • 企业动态

      企业动态
      • 企业动态

      • 党群工作

      • 通知公告

  • 人才招聘

      人才招聘
      • 社会招聘

      • 校园招聘

  • 下属公司

      下属公司
      • 山东泰开电器机构有限公司

      • 山东泰开电器绝缘有限公司

      • 山东泰开直流技术有限公司

      • 山东泰开汽车制造有限公司

      • 山东泰开机电设备进出口有限公司

      • 山东泰开电力装备有限公司

      • 泰开(美国)电气有限公司

      • 泰开(加拿大)开关有限公司

      • 泰开(印度)电气有限公司

  • 联系我们

  • EN

确认
  • 首页

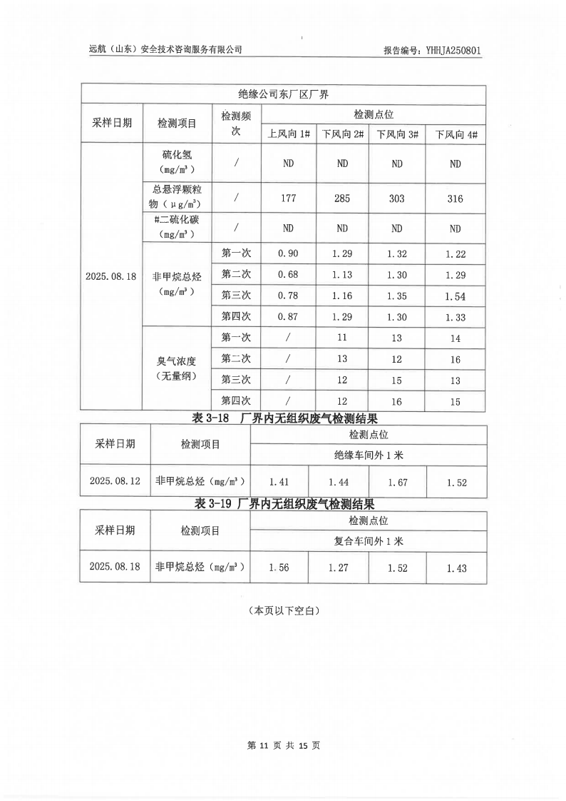
山东泰开电器绝缘有限公司2025年三季度检测报告


发布时间:

2025-09-06

作者:

资料来源:

山东泰开电器绝缘有限公司2025年三季度检测报告

关键词:


上一页

山东泰开电器绝缘有限公司2025年四季度检测报告

山东泰开电器机构有限公司 气体绝缘输电母线及机构精益生产项目调试公示

下一页

上一页:

山东泰开电器绝缘有限公司2025年四季度检测报告

下一页:

山东泰开电器机构有限公司 气体绝缘输电母线及机构精益生产项目调试公示

最新动态


山东泰开电器绝缘有限公司2025年四季度检测报告

2025-12-29

山东泰开电器绝缘有限公司2025年三季度检测报告

2025-09-06

山东泰开电器机构有限公司 气体绝缘输电母线及机构精益生产项目调试公示

2025-12-15

山东泰开电器机构有限公司 气体绝缘输电母线及机构精益生产项目竣工公示

2025-12-15

山东泰开电器机构有限公司废气、噪声检测

2025-11-26

分享到

返回列表
泰开高压开关

  • 首页

  • 关于我们

    • 公司简介

    • 科技研发

    • 质量管理

    • 生产能力

    • 服务中心

    • 厂容厂貌

  • 产品中心

    • 产品三视图

    • 组合电器系列

    • 断路器系列

    • 柔性直流产品

  • 工程案例

  • 企业动态

    • 企业动态

    • 党群工作

    • 通知公告

  • 人才招聘

    • 社会招聘

    • 校园招聘

  • 下属公司

    • 山东泰开电器机构有限公司

    • 山东泰开电器绝缘有限公司

    • 山东泰开直流技术有限公司

    • 山东泰开汽车制造有限公司

    • 山东泰开机电设备进出口有限公司

    • 山东泰开电力装备有限公司

    • 泰开(美国)电气有限公司

    • 泰开(加拿大)开关有限公司

    • 泰开(印度)电气有限公司

  • 联系我们

  • EN

全国销售热线 7*24小时

4007-567-999

tkgyyx@sdtaikai.com

工商营业执照
营业执照

网站建设:中企动力  济南  |  SEO

联系我们
售后:4007-567-999
邮箱:tkgyoffice@163.com
电话:0538-8518287
微信公众号
二维码
TOP
  • 首页
  • E-Mail
  • 产品
  • 电话
  • 联系